产品名称:THB6128
相关资料下载详细介绍:
特性双全桥MOSFET驱动,低导通电阻Ron=0.55Ω
耐压40VDC,电流2.2A(峰值)
自动半流锁定功能
内置温度保护及过流保护
管脚说明
管脚
编号
符号
功 能 描 述
17
DOWN
通电锁定时输出端
14/23
SGND
信号地
20
OSC1
斩波频率设定电容连接端
18
PFD
衰减模式选择电压输入端
15
VREF
电流设定端
11
VMB
B相 电机电源连接端
28
M1
细分设置端
27
M2
细分设置端
26
M3
细分设置端
13
OUT2B
B相 OUTB输出端
10
NFB
B相 电流检测电阻连接端
9
OUT1B
B相 OUTB输出端
12
PGNDB
B相 功率地
7
OUT2A
A相 OUTA输出端
6
NFA
A相 电流检测电阻连接端
3
OUT1A
A相 OUTA输出端
4
PGNDA
A相 功率地
25
ENABLE
脱机信号控制端
24
RESET
复位信号输入端
5
VMA
A相 电机电源连接端
21
CLK
脉冲信号输入端
22
CW/CCW
正/反转信号输入端
19
OSC2
通电锁定检出时间设定电容连接端
16
MO
位置检出Monitor端
30
VREG1
内部稳压器用电容连接端
1
VREG2
内部稳压器用电容连接端
2
VM
电机电源连接端
29
ST/VCC
待机控制端
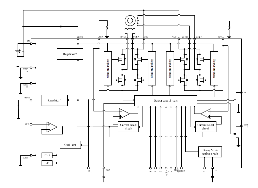
框图

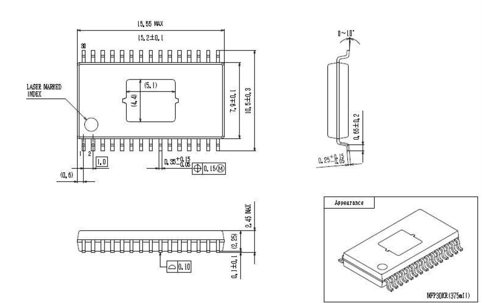
封装图
